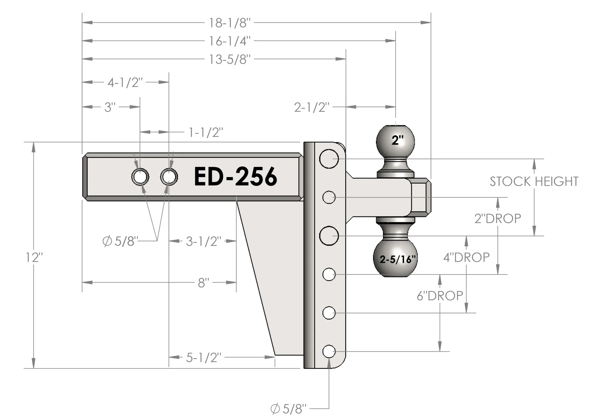
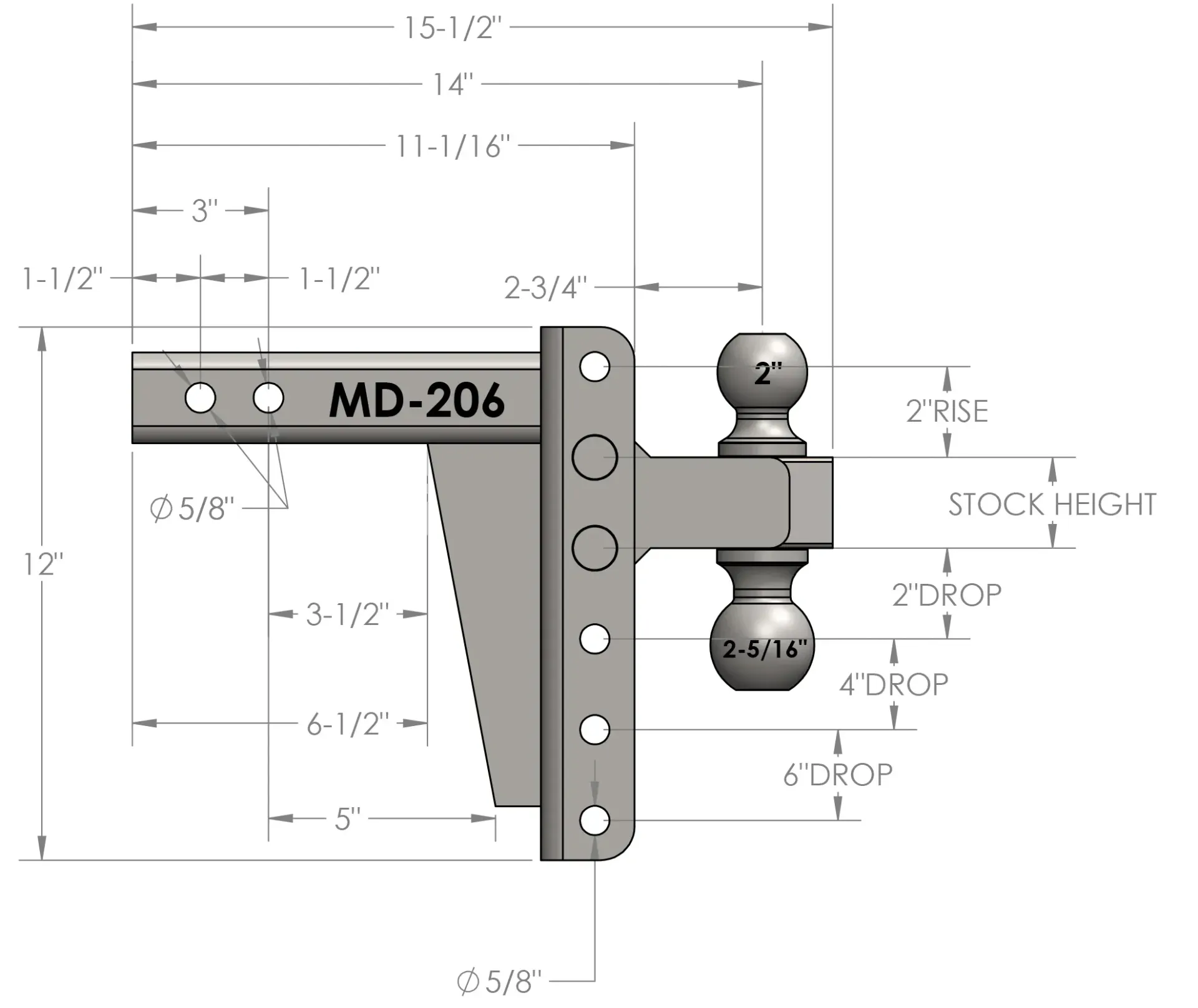
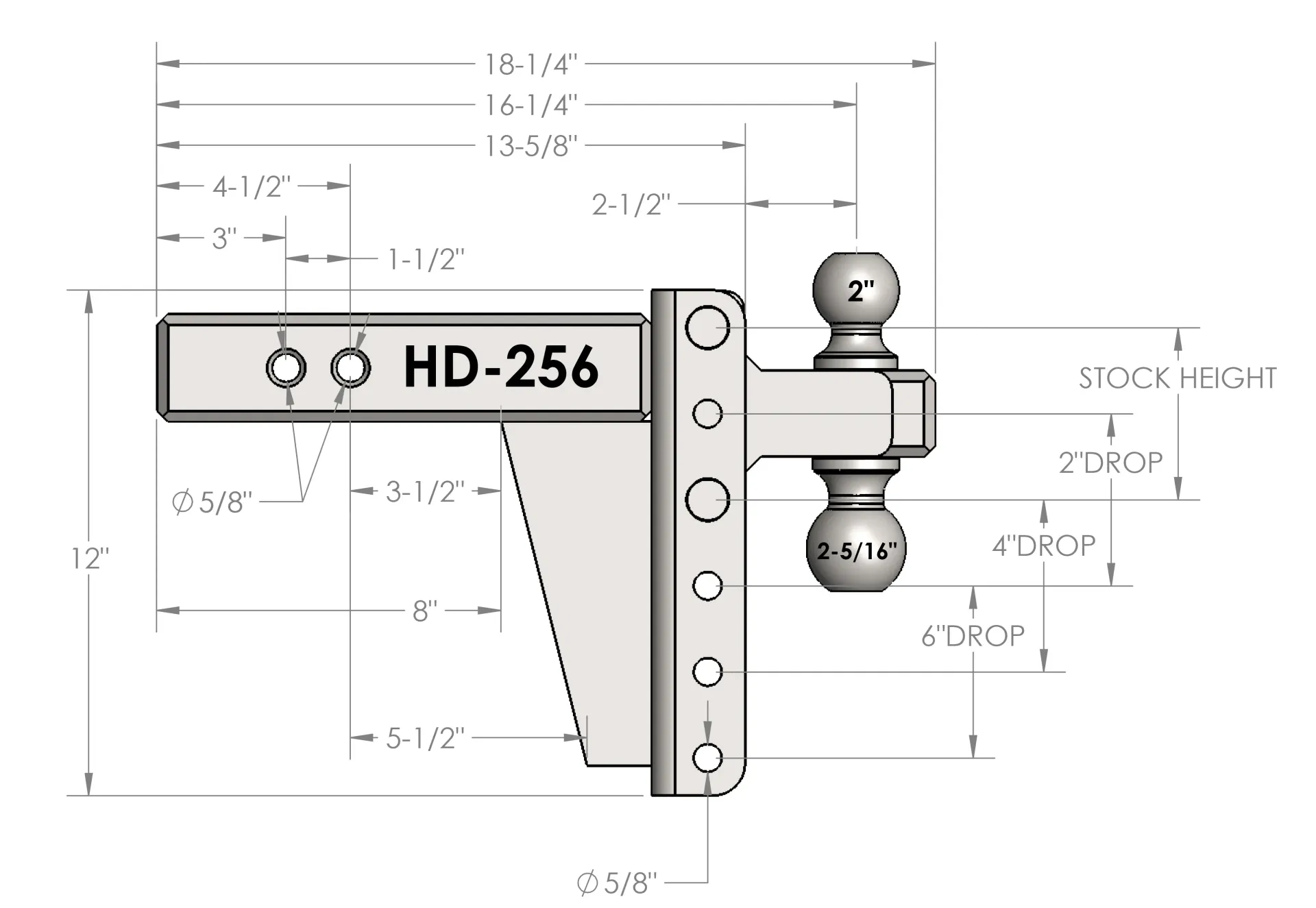
Bulletproof Hitches

SHOP ALL

BESTSELLERS

The right gear